Muhr Lose-Verladesysteme
Staubfreie Verladung von Schüttgütern aller Art
Besonders effizient mit exklusiven Muhr Ausrüstungsmodulen.
Schüttgut, Verladeanlage, Verladebedingungen, Vorschriften, etc. – jede Verladesituation ist anders. Dementsprechend sollte das Verladesystem Ihren individuellen Bedürfnissen angepasst sein. Mit unserem Modulkonzept bieten wir Ihnen maßgeschneiderte Verladesysteme in Serienqualität.
Für jede Verladeanlage – für alle Arten von Schüttgut!
Geschlossene Verladung
mehr Infos
offene Verladung
mehr Infos
Kombinierte Verladung
mehr Infos
Rückstandsfreies Verladen
mehr Infos
Optimale Tankbefüllung
mehr Infos
Entmischungsfreies Verladen
mehr Infos
Verlademobile
mehr Infos
Andockvorrichtungen
mehr Infos
Mobile Wiege-Verladesysteme
mehr Infos
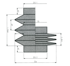
Faltenbälge
mehr Infos
